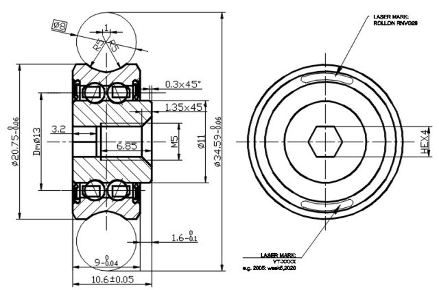
• РНПГ28 - Каток опорный с профильной канавкой
  • РНПГ28 - Каток опорный с профильной канавкой
  • РНПГ28 - Каток опорный с профильной канавкой
  • РНПГ28 - Каток опорный с профильной канавкой

РНПГ28 - Каток опорный с профильной канавкой

No.RNPG28
Подшипник с винтовым штифтом, концентрический подшипник, двухрядный радиально-упорный шарикоподшипник, концентрический роликовый подшипник,
Другой код: RNPG28.2RS RCP28 используется для уплотнения линейного рельса pro.

Материал: 100Cr6 GCr15.
Установлен на слайдере с цельным корпусом.

Тип уплотнения:
Стальной щит (ZZ)
Резиновое уплотнение (2RS)
Смазка:
Общий
ХТГ высокая температура
пищевая смазка
  • РНПГ28 - Каток опорный с профильной канавкой
  • РНПГ28 - Каток опорный с профильной канавкой

Описание